梗概:

  • 在SR锁存器的输入端上, 再封装成新的三个输入端:
    • E使能端
      • 相当于开关
    • S和R或

图解:

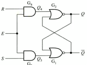
1. 内部组成

1.1. 实现方法之一:

2. 封装器件

功能表

与基本的SR锁存器相比, 只是多了一个使能端E作为开关:

  • E为1的时候, SR锁存器正常工作
  • E为0的时候, S和R不管输入什么, 锁存器一直保持待机状态(即保持状态)